一、烟感工作原理
烟感探测器就是通过监测烟雾的浓度来实现火灾防范的,烟雾探测器内部采用离子式烟雾传感,离子式烟雾传感器是一种技术先进,工作稳定可靠的传感器,被广泛运用到各种消防报警系统中,性能远优于气敏电阻类的火灾报警器。

二、温感探测器工作原理
温感探测器是通过监测探测周围环境温度的变化来实现火灾防范的,采用高品质线性传感器,SMD贴片加工工艺生产烟感间距,具有灵敏度高、稳定可靠、低功耗、美观耐用、使用方便等特点。电路和电源可自检,可进行模拟报警测试。
温感探测器适用于相对湿度经常大于95%、无烟火、有大量粉尘、在正常情况下有烟和粉尘滞留、厨房、锅炉房、发电机房、烘干车间、吸烟室、其它不宜安装烟感探测器的厅堂和公共场所。

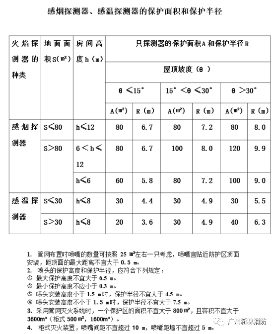
三、安装间距及规范
烟感、温感探测器安装装间距一、烟感探测器安装间距一般为直径15米,半径7.5米;
温感探测器安装间距一般为直径10米,半径5米二、设于走道的烟感,则按15米的间距设置,温感按10米间距设置三、探测器至墙壁、梁边的水平距离,不应小于0.5m。四、探测器周围0.5m内,不应有遮挡物。五、探测器至空调送风口边的水平距离,不应小于1.5m;至多孔送风顶棚孔口的水平距离,不应小于0.5m。
见图一

图一
详细请参考〈火灾自动报警系统设计规范〉
走进新林

广州新林消防设备股份有限公司坐落于具有广州东部枢纽中心之称的增城新塘镇东洲工业园,交通便利,环境优美。是一家集研发设计、生产、销售、服务一体的专业消防设备制造商。公司拥有从事于消防行业多年的专家及专业技术团队,能够为客户提供专门、专业、贴心的消防安全解决方案。公司生产的“新林消防”系列产品均通过了国家强制性产品认证和国家固定灭火系统和耐火构件质量监督检验中心检测合格并获得3C证书烟感间距,质量可靠,性能稳定。
联 系 人 :林经理
———END———
限 时 特 惠: 本站每日持续更新海量各大内部创业教程,一年会员只需98元,全站资源免费下载 点击查看详情
站 长 微 信: Lgxmw666





